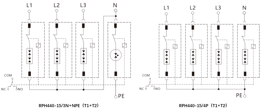
RPH440-15(T1+T2)

本产品为T1+T2类叠层石墨间隙三相电源模块式浪涌保护器,安全可靠,电网适应能力强,可广泛应用于各种电气场合,宜在LPZ0B 到LPZ1 区的配电系统中使用,有效防止后端电气设备受到雷电和瞬态过电压的损坏。

  1. 系统电压: AC255/440V
  2. 配电系统: TT、TN-S
  3. 最大持续运行电压: 440V
  4. 冲击放电电流Iimp: 15kA
  5. 标称放电电流In: 15kA
主要特点 main features

该产品内部采用叠层石墨间隙技术,可为低压供配电系统提供B级(T1+T2类)雷电浪涌保护。产品每个模块内部均设置热脱扣机构,用以分断异常情况下的故障电流;具有失效指示窗口以及远程告警节点,用以判断防雷器之工作状态。

01.通流容量大,限制电压低;

02.动作电压适当,保护电路稳定;

03.内置热脱扣装置,具有失效窗口指示,失效远程告警功能

04.采用35mmDIN导轨固定,安装方便,维护简单;

05.工艺考究,能在恶劣环境下长期工作;

防护原理

image.png


外形尺寸

   image.png


技术参数 technical parameter

image.png