RPM1260-30/3N+NPG

T2类三相电源浪涌保护器,采用3+0模式,可适用于IT、TN-C制式电网,抗干扰、谐波能力更强。采用高性能防雷器件,续流遮断能力强,放电能力强,高TOV耐受能力,低残压,使用寿命长,安全可靠。

  1. 系统电压: AC1140V
  2. 防护等级: T2
  3. 安装位置: LPZ2区
  4. 工作温度: -40℃—+80℃
  5. 相对湿度: 5%—95%
  6. 海拔高度: -500m—4000m
  7. 产品编码: S0102156
主要特点 main features

该产品内置过热过流保护功能,可为低压配电系统提供C级(Ⅱ级分类试验)防雷保护。

01.通流容量大,限制电压低;

02.动作电压适当,保护电路稳健;

03.内置过温保护,无续流,高可靠安全;

04.一体化模块结构,采用35mmDIN导轨固定、安装维护方便;

05.具有失效指示和集中遥信报警干接点;

06.外壳防护等级为IP20,阻燃等级为UL94V-0;

07.工艺考究,能在恶劣环境下长期工作;

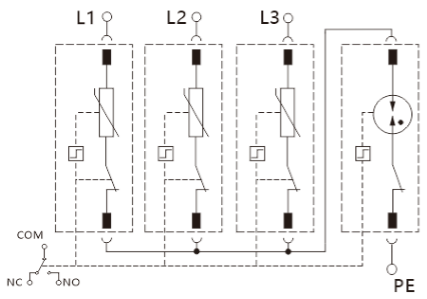
防护原理

image.png

外形尺寸

image.png



技术参数 technical parameter

RPM1260-3+1-01.jpg