This product belongs to class T1 AC power surge protector, with large flow capacity, strong power grid adaptability, safe and reliable. Can be widely used in a variety of electrical occasions, in LPZ0 to LPZ1 distribution system used as class B protection.
Ac power surge protector adopts a variety of lightning protection devices combined protection mode, parallel, multi-functional integrated design, with working status indication, failure remote alarm function.
01. Parallel, multi-functional modular design, using 1+1, 2+0, 3+0, 3+1, 4+0 mode;
02. Adopt high performance lightning protection devices, strong continuous current blocking ability, no continuous current generation;
03. Safe and reliable, fully sealed design, no arcing phenomenon;
04. Low voltage protection level, large flow;
05. Exquisite technology, can work in harsh environment for a long time, convenient installation, simple maintenance;
Naming rule

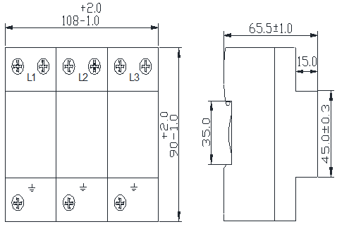
Dimension
RPH385-15/1N+NPE(RPH385-15/2P) RPH385-15/3P

RPH385-15/3N+NPE(RPH385-15/4P)
