This product belongs to class T2 1U panel pluggable anti-off type DC power surge protector, with large flow capacity, strong power grid adaptability, safe and reliable, suitable for the implementation of panel pluggable, 1U height chassis installation. Can be widely used in various electrical occasions, in LPZ1 to LPZ2 distribution system used as C, D level protection.
1U panel plug and remove anti-off type AC power surge protector adopts a combination of lightning protection devices protection mode, suitable for panel plug and remove, 1U height chassis installation site with working status indication, failure remote alarm function.
01. It is suitable for lightning and overvoltage protection of modular plug frame power system;
02. Novel and compact structure, small installation space (single P width is only 12mm), to meet the installation height requirements of 1U chassis of plug frame power supply;
03. Large current capacity, limited voltage low;
04. The operation voltage is appropriate, and the protection circuit is stable;
05. Built-in over heat, over current protection, no continuous flow, high reliability and safety;
06. The new locking device in the case of large current impact and strong vibration, can ensure that the plug is stable, not loose;
07. Pluggable module structure, the module is anti-misinserted, replaceable, easy to maintain;
08. With status indicator and remote alarm function;
09. Using DBN90° sheet terminal crimp soft wire, through heat shrinkable pipe insulation protection wiring mode (access wire section maximum 16mm²);
10. Adopt 4-M3*8 screw for easy installation.
Naming rule

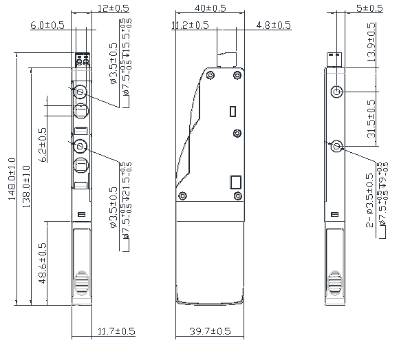
Dimension
RPD48-40/2P-1U dimension of a single chip
