交流电源浪涌保护器采用多种防雷器件组合保护模式,并联式、多功能一体化设计,具有工作状态指示、失效远程告警功能。
01.并联式、多功能模块化设计,采用1+1、2+0、3+0、3+1、4+0模式;
02.采用高性能防雷器件,续流遮断能力强,无续流产生;
03. 安全可靠,全密封设计,不会产生飞弧现象;
04.电压保护水平低,通流量大;
05.工艺考究,能在恶劣环境下长期工作,安装方便,维护简单;
命名规则

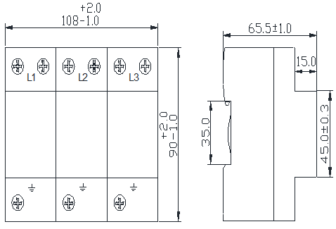
外形尺寸
RPH320-15/1N+NPE(RPH320-15/2P) RPH320-15/3P

RPH320-15/3N+NPE(RPH320-15/4P)
